咨询热线

上海岳西贸易发展有限公司调功器设计理念
1、控制板的设计
PAC30A系列:采用数字电路智能化设计,自动判别相位,力求接线简单高质量要求,低成本设计,基本达到固态继电器的整机成本,同时弥补了固态继电器的缺陷,使PAC30A的功能达到了:调功/调压任意设定,初次上电具有缓启动,手动/自动调节输出,输出限幅、负载中心接地或不接地任意设置,特殊电压及频率可选等。
2、散热器的选择
散热器采用高散热性能的插片式撒热器。
3、风机的选择
采用120轴流风机,滚珠轴承式。寿命长、发热低等特点。
4、可控硅模块选择
采用2种可控硅模块:
A:德国进口的西门康模块,进口块特点是发热低可靠性高等。
B:国产模块,特选的低压降芯片,用进口的高散热性能的绝缘材料焊接和压
接而成。其特点是过载能力强,质量可靠。
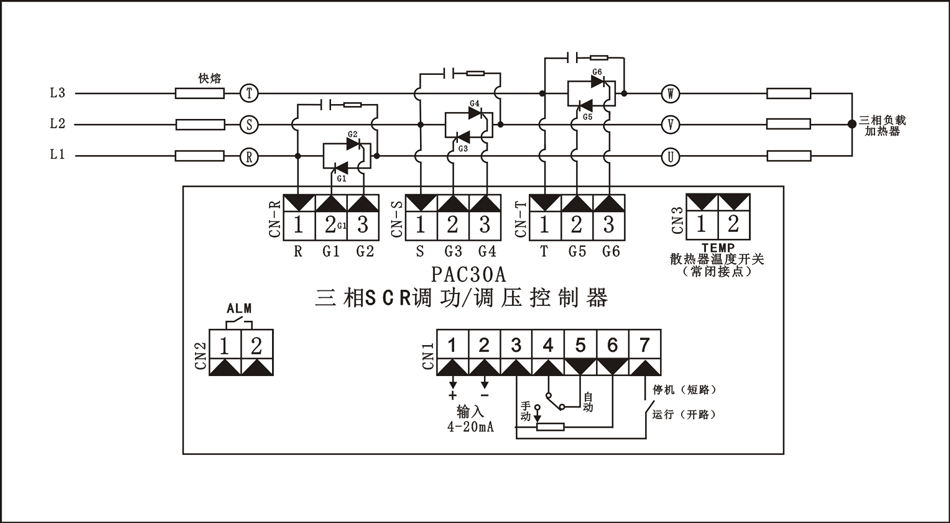
电路示意图:
控制板面板图:
SW1 拨码开关设置输出波形:
控制板常用接线组合:
用户可根据实际使用需要,选择接线方式。下图列出了常见的接线组合,供设计时参考。
调功 、 调压一体化功能:
调压方式具有负载电流冲击小、适合变压器控制等特点,但不可避免产生电源污染和降低电网功率因数。过零调功方式避免了调压方式的不足,但无法限制电流,负载冲击电流较大。PAC30A 的调功、调压功能提供了两者优点的结合,可根据负载情况方便地切换这两种工作方式。
内部拨码开关设置:
SW1-1=ON 时,调压。SW1-1=OFF 时,调功。

|
1 |
负载控制元件 |
可控硅(SCR)模块 |
|
2 |
负载电源 |
三相380V AC ±10% 50HZ |
|
3 |
电流容量 |
25A,50A,60A,80A,90A,115A,140A,160A,190A,250A,320A,400A AC |
|
4 |
控制板电源与功耗 |
电源:380V AC ±10% 50HZ, 要求与负载电源同相位 功耗:5W最大 |
|
5 |
风扇电源(根据型号配备) |
电压:220V AC 电流:0.5 A以下 |
|
6 |
控制输入 |
4~20mA 或者0-10V DC输入, 接收阻抗100Ω |
|
7 |
LED状态显示灯 |
输入指示LED灯(1支):红色 |
|
8 |
控制方式 |
调相控制:连续调压 调功控制:阻性周波过零调功 |
|
9 |
调节输出分辨率 |
调相0.2°,调功 20ms |
|
10 |
移相范围 |
0~175°,星型负载(中心点接地) |
|
11 |
驱动输出 |
配单硅反并联式可控硅模块可变宽度脉冲:8°~120° |
|
12 |
手动方式 |
外接10KΩ电位器调整 |
|
13 |
缓启动时间 |
调相控制时,P3电位器调整。调整范围:0.2~120秒 |
|
14 |
缓关断时间 |
调相控制时,10秒固定 |
|
15 |
电压限制 |
板内P1电位器或外接10KΩ电位器调整。 |
|
16 |
散热器超温保护 |
80℃温度开关,常闭接点 动作时间:< 20ms |
|
17 |
报警输出 |
当散热器超温时动作
|
|
18 |
急停 |
报警动作时,控制输出急停 |
|
19 |
风机控制 |
风机接 40℃常开温度开关,当散热器温度低于 40℃时风机不转动,保证风机寿命。 风机电源为 220V。 |
|
20 |
启动/停止开关 |
R1 端:CN1-3 端子,RS 端:CN1-7 端子 |
|
21 |
调功/调压切换 |
SW1-1=ON, 调压(出厂设置) |
|
22 |
工作环境 |
温度范围:0~+40℃ |
|
23 |
安装形式和要求 |
壁挂式,垂直安装,通风良好 |
|
24 |
绝缘电阻 |
绝缘电阻: 模块输出端与外壳,500VDC 20MΩ最小 |
|
|
|||
| 代 码 | 基 本 参 数 | ||
|
PAC30A- |
输入信号:4-20mA DC信号(输入阻抗120欧),输出形式移相调压/周波调功任意可设,上电缓启动0-60秒可设,散热器超温报警保护,手自动无扰切换。适合Y型负载中心接零或者悬空,三角形负载。负载电源380VAC士10%,50Hz。 输入信号默认4-20毫安,0-5V、0-10V输入需要备注说明 风机电源默认380V直通,需要220V控制的,订货时备注 |
||
|
散热器单元 |
整机外形尺寸 |
SCR规格 |
负载功率(阻性) |
|
B125C-:1个风机,吹风式强制风冷。散热器容量:环境温度在40度条件下:60A/相。 自然散热条件下:10A/相。 |
长270x宽127x厚212mm 2孔安装, 上下安装孔距:253mm,孔径10mm |
MKKT55A |
≤26KW |
|
MKKT90A |
≤40KW |
||
|
MKKT110A |
≤40KW |
||
|
B170C-:1个风机,吹风式强制风冷。散热器容量:环境温度在40度条件下:150A/相。 自然散热条件下:15A/相。 |
长290x宽172x厚253mm 4孔安装, 安装孔距:148*273mm,孔径10mm |
MKKT110A |
≤50KW |
|
MKKT130A |
≤62KW |
||
|
MKKT160A |
≤80KW |
||
|
MKKT180A |
≤90KW |
||
|
MKKT200A |
≤98KW |
||
|
B210C-:2个风机,吹风式强制风冷。散热器容量:环境温度在40度条件下:220A/相。自然散热条件下:70A/相 |
长285x宽250x厚255mm 4孔安装,
安装孔距:222*268mm,孔径10mm |
MKKT180A |
≤92KW |
|
MKKT200A |
≤100KW |
||
|
B240C-:2个风机,吹风式强制风冷,散热器容量:在环境温度40度时:200A/相,自然散热:70A/相。 |
长285x宽250x厚255mm 4孔安装, 孔距222*268mm,孔径10mm |
MKKT250A |
≤115KW |
|
|
|
||
|
B300C-:2个风机,吹风式强制风冷,散热器容量:在环境温度40度时:300A/相,自然散热:100A/相。 |
长360x宽246x厚243mm 4孔安装, 孔距222*343mm,孔径10mm |
MKKT300A |
≤157KW |
|
B350C-:2个风机,吹风式强制风冷,散热器容量:环境温度在40度条件下:350A/相。自然散热条件下:100A/相。 |
长460x宽244x厚283mm 4孔安装, 安装孔距:220*443mm,孔径10mm |
MKKT500A |
≤210KW |
|
B400C-:2个风机,吹风式强制风冷。散热器容量:环境温度在40度条件下:630A/相。自然散热条件下:100A/相。 |
长477x宽365x厚330mm 4孔安装, 安装孔距:341*457mm,孔径10mm |
MKKT600A |
≤265KW |
|
SKKT570A |
≤400KW |
||

| 单位mm | A | B | C | D | E |
| B30C | 210 | 127 | 212 | 102 | 198 |
| B125C | 270 | 127 | 220 | 102 | 247 |
| B170C | 290 | 172 | 253 | 148 | 273 |
| B210C | 285 | 250 | 255 | 222 | 268 |
| B240C | 285 | 250 | 255 | 222 | 268 |
| B300C | 360 | 246 | 243 | 222 | 343 |
| B350C | 460 | 244 | 283 | 220 | 443 |
| B400C | 477 | 304 | 295 | 280 | 455 |
| B600C | 473 | 365 | 330 | 341 | 457 |